ধারক
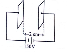
উপরে প্রদত্ত বর্তনীর তুল্য ধারকত্ব কত?
1μF 1 \mu \mathrm{F} 1μF
2μF 2 \mu \mathrm{F} 2μF
3μF 3 \mu \mathrm{F} 3μF
4μF 4 \mu \mathrm{F} 4μF
Ai এর মাধ্যমে
১০ লক্ষ+ প্রশ্ন ডাটাবেজ
প্র্যাকটিস এর মাধ্যমে নিজেকে তৈরি করে ফেলো
উত্তর দিবে তোমার বই থেকে ও তোমার মত করে।
সারা দেশের শিক্ষার্থীদের মধ্যে নিজের অবস্থান যাচাই
একটি ধারক 150 টি বৃত্তাকার টিনের পাতের তৈরি। প্রতিটি পাত পরস্পর হতে 0.4 mm পুরু এবং 7.6×10−3\ 7.6 \times 10 ^{-3} 7.6×10−3 m ব্যাসার্ধের অভ্রের চাদর দ্বারা পৃথকীকৃত। অভ্রের পরাবৈদ্যুতিক ধ্রুবক 6 এবং একটি অন্তর একটি পাত পরস্পর যুক্ত। [E0=8.854×10−12C2 N−1 m−2] \left[\mathrm{E}_{0}= 8.854 \times 10^{-12} \mathrm{C}^{2} \mathrm{~N}^{-1} \mathrm{~m}^{-2}\right] [E0=8.854×10−12C2 N−1 m−2]
নিচের বর্তনীটি লক্ষ কর এবং প্রশ্নগুলোর উত্তর দাও:
v=20v